產品介紹
SPJ-800型礦用減速機
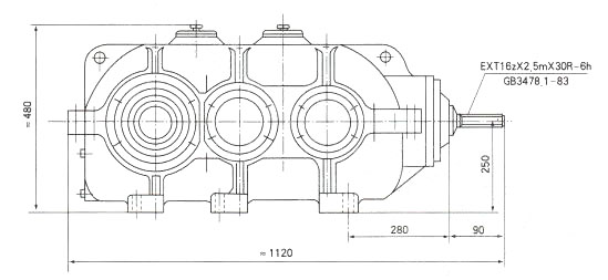
產品介紹產品圖紙
SPJ-800型礦用減速機
特殊齒輪減速機
產品型號:SPJ-800
SPJ-800型礦用減速機適用范圍及特點
SPJ-800減速器適用于煤炭行業運輸傳遞機械設備中做減速之用,該機齒輪及齒輪軸采用高強度低碳合金經特殊工藝加工處理而成,具有承載能力高、壽命長、噪聲低、體積小、結構緊湊等優點。
使用與維護
1、減速器在使用前應取消視孔蓋加入適量的雙曲線齒輪油或粘度相當的機械油。方能進行負載運轉。
2、在工作中如果發現異常噪聲,沖擊聲和溫度極具升高及其他不正常現象時,應立即停止運轉,查明原因并排除之。
3、本機在磨合初期3-5天內,應停車檢查各部位是否有松動或間隙過大現象,如有應該加以調整。調整方法:可去除一層或者幾層紙墊,或者用去除端蓋厚度的方法來調整其嚙合間隙。同時更換新的齒輪油,以提高整機使用壽命。
4、經常檢查潤滑油質量和油位及注油點,并根據油的分解氧化程度定期更換,推薦更換期2-3月,同時應清理機殼內污物及其清晰內部零件,以確保減速器正常運轉。



SPJ-800型礦用減速機
| |
|




a>