產品介紹

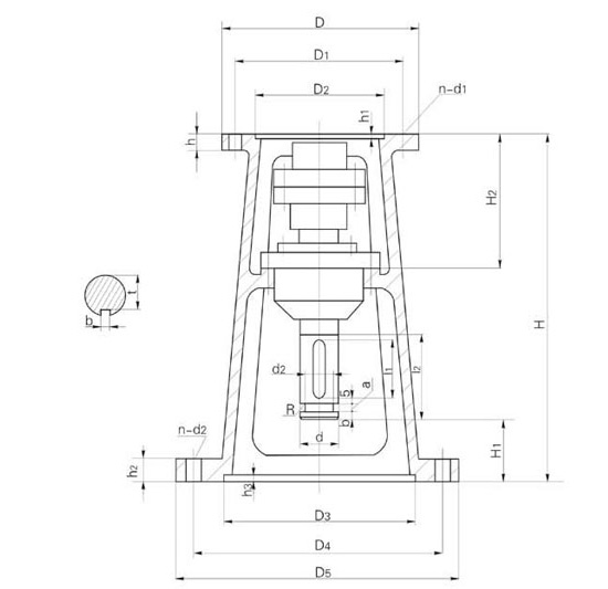
TJQ型機架下裝JQ、JJQ型夾殼式聯軸器主要參數及尺寸
機架型號
減速機型號
輸出軸d
輸入端接口
輸出問接口
H
H1
H2
I1
I2
a
(H11)
b1
D2
(h11)
b
t
D
D1
D2
h
h1
n-d1
D3
D4
D5
h2
h3
n-d2
TJQ2
B1
35
230
200
170
18
5
6-12
250
300
335
22
7
4-24
517
182
190
55
85
5
4
30
10
30
TJQ3
B2
45
260
230
200
20
6
6-13.5
295
350
392
25
7
4-26
560
191
210
70
100
6
5
37
14
39.5
TJQ4
B3
55
340
310
270
20
6
6-13.5
345
400
442
26
7
4-26
675
253
250
70
100
6
5
47
16
49
TJQ5
B3
55
340
310
270
20
6
6-13.5
390
450
498
26
7
4-30
680
258
250
70
100
6
5
47
16
49
TJQ6
B4
70
400
360
320
(316)
22
6
8-16
435
500
548
26
7
8-30
736
284
250
100
130
8
6
60
20
62.5
TJQ7
B5
90
490
450
400
25
7
12-18
440
550
600
28
10
12-22
810
233
296
140
170
10
8
80
25
81
TJQ8
B6
100
580
520
460
(455)
26
10
12-22
500
550
600
30
10
12-22
820
187
362
140
170
10
8
90
28
90
TJQ9
B7
110
650
590
520
30
12
12-22
560
650
700
40
10
12-27
955
210
420
160
200
12
10
100
28
100
TJQ10
B8
130
880
800
680
40
12
12-38
720
810
880
45
10
20-27
1200
297
550
180
225
14
12
118
32
119

TJQ型機架下裝JQ、JJQ型夾殼式聯軸器主要參數及尺寸
| 機架型號 | 減速機型號 | 輸出軸d | 輸入端接口 | 輸出問接口 | H | H1 | H2 | I1 | I2 | a (H11) |
b1 | D2 (h11) |
b | t | ||||||||||
| D | D1 | D2 | h | h1 | n-d1 | D3 | D4 | D5 | h2 | h3 | n-d2 | |||||||||||||
| TJQ2 | B1 | 35 | 230 | 200 | 170 | 18 | 5 | 6-12 | 250 | 300 | 335 | 22 | 7 | 4-24 | 517 | 182 | 190 | 55 | 85 | 5 | 4 | 30 | 10 | 30 |
| TJQ3 | B2 | 45 | 260 | 230 | 200 | 20 | 6 | 6-13.5 | 295 | 350 | 392 | 25 | 7 | 4-26 | 560 | 191 | 210 | 70 | 100 | 6 | 5 | 37 | 14 | 39.5 |
| TJQ4 | B3 | 55 | 340 | 310 | 270 | 20 | 6 | 6-13.5 | 345 | 400 | 442 | 26 | 7 | 4-26 | 675 | 253 | 250 | 70 | 100 | 6 | 5 | 47 | 16 | 49 |
| TJQ5 | B3 | 55 | 340 | 310 | 270 | 20 | 6 | 6-13.5 | 390 | 450 | 498 | 26 | 7 | 4-30 | 680 | 258 | 250 | 70 | 100 | 6 | 5 | 47 | 16 | 49 |
| TJQ6 | B4 | 70 | 400 | 360 | 320 (316) |
22 | 6 | 8-16 | 435 | 500 | 548 | 26 | 7 | 8-30 | 736 | 284 | 250 | 100 | 130 | 8 | 6 | 60 | 20 | 62.5 |
| TJQ7 | B5 | 90 | 490 | 450 | 400 | 25 | 7 | 12-18 | 440 | 550 | 600 | 28 | 10 | 12-22 | 810 | 233 | 296 | 140 | 170 | 10 | 8 | 80 | 25 | 81 |
| TJQ8 | B6 | 100 | 580 | 520 | 460 (455) |
26 | 10 | 12-22 | 500 | 550 | 600 | 30 | 10 | 12-22 | 820 | 187 | 362 | 140 | 170 | 10 | 8 | 90 | 28 | 90 |
| TJQ9 | B7 | 110 | 650 | 590 | 520 | 30 | 12 | 12-22 | 560 | 650 | 700 | 40 | 10 | 12-27 | 955 | 210 | 420 | 160 | 200 | 12 | 10 | 100 | 28 | 100 |
| TJQ10 | B8 | 130 | 880 | 800 | 680 | 40 | 12 | 12-38 | 720 | 810 | 880 | 45 | 10 | 20-27 | 1200 | 297 | 550 | 180 | 225 | 14 | 12 | 118 | 32 | 119 |

a>